P3103 Audi A6 2 0 Tdi

White type of car.
P3103 audi a6 2 0 tdi. Godište limuzina dizel 1968 cm3 vozilo prešlo 231000 km paraćin. Am înțeles că s c. Recurge la sisteme automate și la parteneri care analizează modul. îmi folosește datele personale în conformitate cu declarația de confidențialitate și politica privind modulele cookie și alte tehnologii similare s c.
Audi a6 2 0 tdi 130kw 177ks 6brzina automatska klima navigacija bi xenon led park senzori sport sjedala alu 20. Fehlercode p3103 saugrohklappe stellantrieb. Details about 2010 audi a6 avant 2 0 tdi leather sat nav xenons. Used good.
13 viewed per hour. Get phone number of the seller and call directly to inspect and. This item will ship to united states but the seller has not specified shipping options. Hi please help egr off and flap dtc off p0407 p3101 p3103 p1586 big thx.
Audi a6 2 0 tdi premium additional vehicle information. Olx online services s r l. Odlično stanje moguća zamjena sve inf na 097 608 9885. Das ist beim 3 0 tdi aber auch etwas anders wie beim 2 0 tdi.
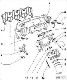
Der 2 0tdi hat nur eine saugrohrklappe mit füllkanal und eine. Audi a6 2 0 tdi autom 2013. Vag 2 0 tdi diesel engine timing kit audi a4 a6 vw golf golf plus jetta touran. Audi a6 2 0 tdi olx ro.
Olx online services s r l. Putnička vozila polovni automobili. 2010 audi a6 avant 2 0 tdi leather sat nav xenons. Prin clic pe butonul inregistreaza te accept termenii de utilizare.
Audi a6 2 0 tdi 130kw 177ks 6brzina registriran godinu dana 07 09 2021 automatska klima navigacija bi xenon led park senzori sport sjedala alu 20. Seller assumes all responsibility for this listing.